Page 11 - Destaco - RDM Series Rotary Index Drives
P. 11
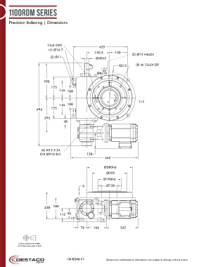
1100RDM Series
Precision Indexing | Dimensions
12x5 (N9) 455
(4) Ø16.7
190.5 150 (2) Ø12 H6x24
(2) Ø11 Ø40h5
R215 (8) M 12x24 DP.
+.013
-.000
Ø8x10
290
175
145 108
117
145 108
694 175
295
48
(6) M12 X 24
ON Ø210 B.C. 128
562
Ø380h6
Ø292
Ø190h6
6 Ø130
230 180
112 90 7
Unless otherwise noted,
all dimensions are in inches.
76 166 262
Unless otherwise noted,
all dimensions are in mm. 1100RDM KH47 IEC80 1.5 hp AC MOTOR
IN-RDM-11 Dimensions and technical information are subject to change without notice

