Page 13 - Destaco - RDM Series Rotary Index Drives
P. 13
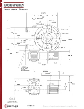
1305RDM Series
Precision Indexing | Dimensions
21.875
9.000 7.50
+.0000
-.0005
Ø1.6875
Ø13.25
+.006
-.001 R10.00
Ø.469, .62 DP.
2 HOLES EQL. SP.
13.25
6X.50-13UNC
7.75 30°
6.500 12X.50-13UNC
5.00 5.250
+.0000 18.00
-.0005
Ø.3750 Ø5.00
.50 DEEP
7.75 5.00 30°
6.500
Ø8.25
16.43
1.00
4.61
Ø6.18
9.56 9.69
25.37
4X Ø.656
HOLES THRU
Ø.438, THRU
2 HOLES
(FOR DOWELING)
Ø18.00
+.000
-.001 .31
Ø7.500
4.75
10.874
8.69 13.56
4.66
3.000
4.19
6.56
1305RDM-7300C 2 hp AC MOTOR
Unless otherwise noted,
all dimensions are in inches.
IN-RDM-13 Dimensions and technical information are subject to change without notice
Unless otherwise noted,
all dimensions are in mm.

