Page 15 - Destaco - RDM Series Rotary Index Drives
P. 15
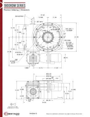
1800RDM Series
Precision Indexing | Dimensions
31.25
.500 KEYWAY
12.500 11.50
Ø2.1875
15.75 45° 30° 12X .625-11
10.75 7.000 Ø10.000 1.25 DEEP
9.500
7.25 23°
24.50
Ø19.000
7.25
9.500 R13.500
8X .625-11
10.75 1.25 DEEP
45° 30° 4X Ø.594
17.50 1.00 DEEP
24.38 4X Ø.594
4X Ø.781
Ø6.91
+.0005
-.0000
Ø.5000
.62 DP.
1.000 12.75 11.33
Ø24.50
Ø20.50
+.000
Ø9.000 -.001 .313
4.000 15.500
15.25
13.31
10.25
6.250
6.00 Ø6.50
TYP.
34.66
1800 7400C 3 hp AC MOTOR
Unless otherwise noted,
all dimensions are in inches.
IN-RDM-15 Dimensions and technical information are subject to change without notice
Unless otherwise noted,
all dimensions are in mm.

