Page 7 - Destaco - RDM Series Rotary Index Drives
P. 7
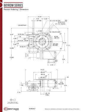
601RDM Series
Precision Indexing | Dimensions
10.50
4.25 3.50
Ø.7486 6X .312-18 UNC +.0005
-.0000
2X Ø.3125
4X .312-18UNC
.236 KEYWAY
2.500
5X .250-20 UNC
6.69 4X Ø.406 55°
1.81 R5.00
3.00 +.0005 30° Ø9.375
-.0000
Ø.3125, .38 DP.
8.63
1.81 Ø3.000
3.00 30°
Ø6.000 17.21
2X Ø.312
6.680 55°
2.000
3.84
3.70
15.63
±.01
Ø8.66
Ø6.50
+.000
-.001
Ø3.50 .25
3.94
SQUARE
1.750 5.94
.47
2.16
Ø1.75
THRU
1
601RDM-R180 3 hp AC MOTOR
Unless otherwise noted,
all dimensions are in inches.
IN-RDM-7 Dimensions and technical information are subject to change without notice
Unless otherwise noted,
all dimensions are in mm.

