Page 9 - Destaco - RDM Series Rotary Index Drives
P. 9
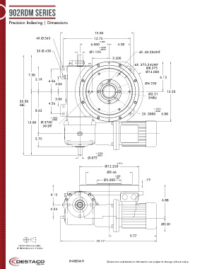
902RDM Series
Precision Indexing | Dimensions
15.00
4X Ø.563 13.75
±.005
6.000 4.38
+.0000
-.0005
2X Ø.438 Ø1.125 4X .50-20UNF
3.500
6X .375-24UNF
Ø8.375
Ø14.000
7.50
5.19 6.13
4.56
3.06 Ø4.250
12.25
Ø2.31
3.06 THRU
20.50
REF. 4.56
+.0005
8.63 -.0000
2X .5000 X.88
+.0005
-.0000
13.00 Ø.3750
.50 DP.
2.75
+.0000
-.0005
Ø.875
±.016
Ø12.250
Ø9.46
+.000
Ø5.000 -.001 .19
4.13
6.88
2.23
Ø2.81
9.77
19.77
Unless otherwise noted,
all dimensions are in inches. 902RDM-R225 1 hp AC MOTOR
IN-RDM-9 Dimensions and technical information are subject to change without notice
Unless otherwise noted,
all dimensions are in mm.

