Page 99 - 2019종합카다로그_Pressure gauge
P. 99

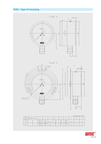
P256 : Type of mounting

















































































                                                                                                P256_03
   94   95   96   97   98   99   100   101   102   103   104