Page 73 - 2019종합카다로그_Temperature & Switch
P. 73

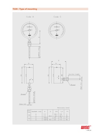
T229 : Type of mounting

















































































                                                                                                T229_03
   68   69   70   71   72   73   74   75   76   77   78