Page 285 - Foton Workshop Manual - Auman EST-M
P. 285
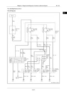
Diagnosis - Diagnosis-fault diagnosis of electronic and electrical parts DI - 231
Two side high beams not on IN
Circuit diagram
DI
Battery
EG
White TR
AX
Frame fuse Low beam Low beam
box lamp relay lamp relay FR
Instrument
fuse box
ST
Red
BR
Red
BW
Red -
Red - Black Blue - black
White
EL
Dipped headlight relay
Red - Green
Red - Red -
White White Green
Regulatin
Red - g switch Red - Blue
Yellow of high
beam Red -
Light Black
combination
Low beam
lamp
switch
High beam
lamp
Passing
light
Red - Red - Red -
White Red -
Yellow Yellow White
Black
Left front Right front
Left front low beam lamp Left front high beam ion light Right front low beam lamp beam light
combinat
combination
White - Red - Right front high
black Yellow
White - black White - black White - black White - black
Body controller B2
DI-231

