Page 1813 - Foton Workshop Manual - Aumark (BJ1099)
P. 1813
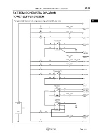
CIRCUIT - SYSTEM SCHEMATIC DIAGRAM 61-23
SYSTEM SCHEMATIC DIAGRAM
POWER SUPPLY SYSTEM
Power distribution of engine compartment fuse box 61
A
F1
40A R A302 C202
15 Ignition switch
(AM1 )
F2
60A RG- A306 C206
4 B
F3
30A L-W
2 Ignition switch
(AM2)
Start relay R03
L-W 3 5 R Starter control
terminal
LR- 1 2 B
A25
TCU Starter
relay control
A301 C201
17 Ignition switch
(START)
F4
20A W-L A302 C202 C306 D206
13 16 Electric seat
F5
30A RY- A301 C201
22 Engine ECU
F6
Reserved
Oil pump relay R09
F7
15A RB- 87 30
Fuel pump
BW- 86 85 V
IG2
ECU
Oil pump
High-speed control
wiper relay
R11
4 RY- Riper motor
(Low speed )
3 5 Y Riper motor
(High speed )
A303 C203
1 2 YR- BCM high-speed
12 wiper control
terminal
Low-speed
wiper relay
1 R10
A23 4 B
3 5
A26
Battery
1 2
F8
25 A R-G
A303 C203
BCM low-speed
13 wiper control
terminal
F9
Reserved
Page 1813

