Page 1865 - Foton Workshop Manual - Aumark (BJ1099)
P. 1865
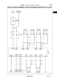
CIRCUIT - SYSTEM SCHEMATIC DIAGRAM 61-75
AUDIO ENTERTAINMENT AND REVERSING MONITOR SYSTEM
Ignition switch
Battery
ACC or ON
61
Engine
F2 compartment
60A fuse boxA40
A306
4
C206
R-G Left rear door Left front door Right front door Right front door
speaker J05 treble speaker J09 speaker G05 treble speaker G09
2
C65
1 2 1 2 1 2 1 2
F3 F22 Interior fuse
15A 7.5A box C05
V-W G-B V-W G-B Br Lg Br Lg
V-W G-B Br L-G Lg
R-B R
J021 G021
13 14 4 5
C041 C051
7 4 5 6 3 4
C66 C66 C67 C67 C67 C67
Battery Power ACC Left rear door Left rear door Right front door Right front door
power supply speaker+ speaker- speaker+ speaker-
CD
C66
C67
DVD
C68
Audio line Audio line
Backlight control switch control switch Left rear door Left rear door Right rear Right rear
power supply grounding signal speaker - speaker+ door speaker- door speaker+ Ground
C66 C66 C66 C67 C67 C67 C67 C66
6 1 3 8 7 2 1 8
C301 C305
32 33 24 25
D201 D205
L B R-W Gr B-R P O
D041 D051 B
8 9 I021 8 9 H021
2 1 2 1
12 11
C17 C67
Audio line Audio line Clock spring
Backlight control switch control C17
lighting sysytem groundingswitch signal Left rear door Right rear door
speaker I02 speaker H02 C24
Page 1865

