Page 2088 - Foton Workshop Manual - Aumark (BJ1099)
P. 2088
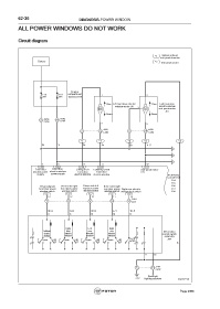
62-36 DIAGNOSIS-POWER WINDOW
ALL POWER WINDOWS DO NOT WORK
Circuit diagram
*1 Motors without
anti-pinch function
Battery
*2 Anti-pinch motor
Engine
F13 F14 compartment 1 4
30A 30A fuse box A40
Rise Left front door electric Rise Left front door
window motor J01 3 electric window
M M anti-pinch motor
J01
Down Down
3 A306 14 A302
C206 C202
2 5
J202 J202
2 3 5 10
C024 C402
*1 *1 *2 *2 *2
W V Br Gr Br VP-
A
B
C
7 8 12 11 32
C55 C55 C54 C54 C57
Front door Rear door Lifting of left Lowering of left Anti-pinch motor
window power electric window front door front door LIN
supply power supply electric window electric window BCM Body
Control Unit
C54
C55
Driver side left Driver side right Driver side left Driver side right C56
front door power front door power reardoor power rear door power Right rear electric C57
window switch window switch window switch window switch window lock switch C58
C57 C57 C57 C57 C58
13 12 10 11 14
C041
7 8 9 10 11 J2 01
WG- OB- WB- LY- WP-
6 8 15 16 14
Right Left Right
Left front front rear rear Driver door
electric electric electric electric control switch
window window window window assembly
Lock J04
Down Up Down Up Down Up Down Up switch
B
11 13
J202
1 14
C024
Backlight
C02 lighting sysytem fuwx62250
Page 2088

