Page 2220 - Foton Workshop Manual - Aumark (BJ1099)
P. 2220
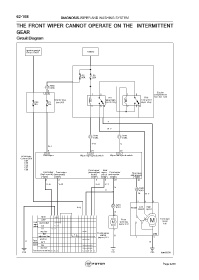
62-168 DIAGNOSIS-WIPER AND WASHING SYSTEM
THE FRONT WIPER CANNOT OPERATE ON THE INTERMITTENT
GEAR
Circuit Diagram
Ignition switch
ON or START Battery
F2 F8
60A 25A
A306
4 C206
2
C65 Engine
1 3 1 3 compartment
R11 R10 fuse boxA40
Interior fuse wiper high Low speed
F32 F1 box C05 speed relay wiper relay
10A 15A
2 5 4 2 5 4
Y
RY-
A303 A303
12 C203 13 C203
YR- G
RL-
6 24 23
C55 C58 C57
Rear wiper Wiper high-speed switch Wiper lowspeed switch-
BCM Body
Control Unit
C54
C55
C56
C57
C58 Front wiper Rear
Front wiper Front wiper (intermittent wiper Front wiper Rear wiper
(high-speed) (low-speed) mode) switch and washer and washer
C57 C57 C57 C58 C58 C58
3 2 4 4 26 24
VG- VW- GB- VY-
G
G 30 C201
A301
Br RY-
2 5 3
C201
RG- 31 A301 Reset Low High
speed speed
G
2
MIST
OFF Front M Front wipe
Front AUTO/INT M washing motor
wiper motorA 32 A16
switch LO
HI
1
washer
Combination
INT
adjustment time switch B
(wiper) C21 1 4
washer
B Rear B
wiper OFF
switch ON
washer
Connector terminal 98 7 5 43 21
C26 D51 A06 fuwx62501
Page 2220

