Page 2258 - Foton Workshop Manual - Aumark (BJ1099)
P. 2258
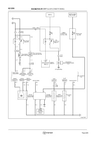
62-206 DIAGNOSIS-HEATER & AIR CONDITIONING
Ignition switch
Battery
ON or START
A
B
C204 A304
13
C304
2 3 D204 F20 Engine F26
7.5A compartment 10 A Interior fuse
fuse boxA40 box C05
RBr- GW- RBr-
1 2 2 3
A/C
Rear heater compressor
relay D58 relay R14
3 4 1 5
GY-
GB-
1 D204
C304 2
1
Rear evaporation
Rear heater solenoid valve D49
water valve D56 A2 10
1
E2 01
1
2
GY- B LO- 71 R 1
C99
A/C Compressor
D204 approval signal Engine electromagnetic clutch
5 ECUA11
C304 ECU E51
D55
LO- L O- Self grounding
A15 A19 A20
Rear heater Rear Rear
relay control evaporation evaporation
solenoid valve solenoid valve
control control A/C controller
C42
Interior Interior Interior Rear Front
temperature temperature temperature evaporator evaporator
Small fan+ Small fan- sensor Sensor signal thermistor thermistor Sensor ground
A14 B14 B5 B6 A6 A5 B4
VW- V
G YG- VG- RY- C304 BL-
6 D204
1 2 3 1 1
5 6
Interior Sunlight BCM Thermistor
M temperature environment body control C46
sensor C63 sensor C64 module C57
4 4 2 1
2 2
BL- BL- YR- BL- BL-
C62
30
C57
Sunlight
temperature
sensor
C
fuwx62602
Page 2258

