Page 2394 - Foton Workshop Manual - Aumark (BJ1099)
P. 2394
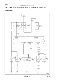
62-342 DIAGNOSIS-LIGHTING SYSTEM
ONLY ONE SIDE OF THE REAR FOG LAMP IS NOT BRIGHT
Circuit Diagram
Battery
C206
1 A306
1
C65
3 1
Engine compartment
Front fog F18 F11 F6
lamp relay 15A 60A fuse box A40 20A Interior fuse
R07 box C05
5 2 G
WV- WB-
A304
14
C204
16 5
C57 C65
Front fog Rear fog lamp
lamp control power supply
BCM
C56
C57
C58
Front fog lamp switch Rear fog lamp switch Rear fog lamp
signal output signal output power output
C85 C85 C56
9 10 8
RW-
C301
31
L LW- D201
D3 10
9 B2 01
B3 10
1
N2 01
P P
RW- RW-
1 1 1 1
Left front Right rear
fog lamp Right front 7 8 9 combination Left rear fog lamp
A34 fog lamp Front fog instrument fog lamp
A05 ( Lighting) N02 N05
lampswitch
Rear fog C16
lamp switch
2 2 2 2
B B
N2 10
B B B 2
B3 01
B
B2 10
14
D3 01
A25 A07 C01
D13
fuwx62815
Page 2394

