Page 2483 - Foton Workshop Manual - Aumark (BJ1099)
P. 2483

DIAGNOSIS-COMBINATION METER                               62-431
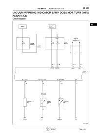
                 VACUUM WARNING INDICATOR LAMP DOES NOT TURN ON/IS

                 ALWAYS ON

                 Circuit Diagram


                                                                                                                    62
















































































                                                                                                     Page 2483
   2478   2479   2480   2481   2482   2483   2484   2485   2486   2487   2488