Page 2514 - Foton Workshop Manual - Aumark (BJ1099)
P. 2514
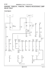
62-462 DIAGNOSIS-AUTOMATIC TRANSMISSION
P092600、P092414、P092700、P092413-REVERSING LAMP
RELAY FAULT
Circuit diagram
Ignition switch
Battery
START
2
C65 Starter
Brake relay
switch R3
Internal
Engine F2 F19 fuse
compartment 10A 5A box
fuse box A40 C206 C05
F01 F2 4 A306
10A 6 0A
2 A303
C203
Gr-R
1
Ignition
switch
solenoid
2 valve
C95 C701 C701 C701
13 3 P201 3 P201 2 P201
O RY- Gr-W R-G
1 6 9 10
P gear IG power Brake Starter
switch switch relay
A303
1 signal signal control
C203 signal
Gearshift
lever
Reversing Reversing Gearshift TCU Gearshift P02
lamp lamp lever Ignition lever
relay R2 relay R2 solenoid Manual Manual Manual permit solenoid
valve + gear down gear up mode signal valve - Ground
7 4 3 2 5 8 12
C701 C701
1 9 P201 10 P201
R-L P R-Y Gr Gr V W Y R Br B
14 15 9 7 4 5 1 10 11
Battery Reversing IG power Reversing Manual Manual Manual Ignition Gearshift
power lamp relay lamp / gearshift gear gear up mode permit lever
control terminal lever down signal control
control terminal
terminal
power TCU
P01
K Line CANH CANL Ground Ground
3 6 2 16 13
P201
11 7 6
C701
Gr- P RW- LY-
B B
P201
8
C701
D13
CAN
Communication system
fuwx62 952
Page 2514

