Page 2103 - Foton Workshop Manual - Sauvana
P. 2103
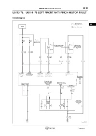
DIAGNOSIS-POWER WINDOW 62-51
U0113-78,U0114 -78 LEFT FRONT ANTI-PINCH MOTOR FAULT
Circuit diagram
*1 Motors without 62
anti-pinch function
Battery *2 Anti-pinch motor
Engine
F13 F14 compartment 1 4
30A 30A
fuse box A40
Rise Left front door electric Rise Left front door
electric window
M window motor J01 3 M anti-pinch motor
J01
Down Down
3 A306 14 A302
C206 C202
2 5
J202 J202
2 3 5 10
C024 C402
*1 *1 *2 *2 *2
W V Br Gr Br VP-
7 8 12 11 32
C55 C55 C54 C54 C57
Front door Rear door Lifting of left Lowering of left Anti-pinch motor
window power electric window front door front door LIN
supply power supply electric window electric window BCM Body
Control Unit
C54
C55
Driver side right C56
rear door power Right rear electric C57
Ground Ground window switch window lock switch C58
C55 C55 C57 C58
11 12 13 14 Backlight
C041 lighting sysytem
7 11 J2 01
C024
B B 14 J2 02
WG- WP-
6 14 13
Driver door
Left front control switch
electric assembly
window J04
Lock
switch
B
B 11
J202
1
C024
C26 C01 fuwx62296
Page 2103

