Page 2139 - Foton Workshop Manual - Sauvana
P. 2139
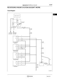
DIAGNOSIS-REVERSING RADAR 62-87
REVERSING RADAR SYSTEM DOESN'T WORK
Circuit Diagram
62
Ignition switch ON
F31
7.5A
1 3 Interior fuse
box C05
Reversing
lamp relay
R02
2 5 4
C701 C701
9 P201 10 P201 C301 D201 Y
30
P Gr D3 10
8 B2 01
Transmission Transmission 3 B3 10
case reverse case reverse N2 01
gear control gear control
Y
Power 2
B
Ground 4
GB-
LIN1 1
RB-
LIN2 3
N2 10
Left parking sensor 4
probe N01 B3 01
Y
Power 2
B
Ground 4
RB-
LIN1 1 10 B2 10
RW- D3 01
LIN2 3
Left central parking
sensor probe N03
Y D201
Power 2 36 C301
B
Ground 4
RW-
LIN1 1
LIN2 3
R
Right central parking
sensor probe N04 GB- GB-
Y
Power 2 31
B C57
Ground 4 LIN 1 line BCM body
control module
LIN1 1 R N2 10 C 57
2 B3 01 Diagnostic system
Right parking sensor
probe N06 B2 10
23
D3 01
D51
fuwx62351
Page 2139

