Page 2270 - Foton Workshop Manual - Sauvana
P. 2270
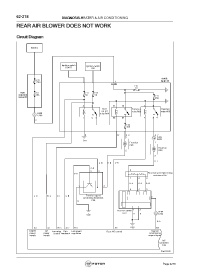
62-218 DIAGNOSIS-HEATER & AIR CONDITIONING
REAR AIR BLOWER DOES NOT WORK
Circuit Diagram
Battery
Ignition switch Ignition switch
START
ON
F82 C05
125A 1
C65
F41
5A
A
Engine F11 F17 F33
compartment 60A 5A 5A F11
fuse boxA40
30A
B
2 3 86 30 1 3
Start Front fan Rear fan
cut-off relay R03 relay R05
A306 relay R04
1
C206
1 5 4 85 87 2 5 4
G
F44
30A
B Br RB- RY-
1 C302
14 D202
C01
Front fan 1
M
C40
Rear fan
M
2 D59
2
RL-
GW- BW- GB-
GB-
2
3 2
GB- Rear fan speed governing
resistance D57
1 4 3
RG- R Y- R W-
1 4
6 4 5
LR- WG- Br G W- Front fan speed 2
governing resistance
B C39
1 3
Rear fan switch D204
D53 B B 4
C22 C304
RB-
A3 A1 B15 A17 B17 A9 D55 B9
START Ig2 Fan relay Fan Fan speed Rear A/C control Rear air
power power control feedback regulation conditioning
supply supply request input
A/C
controller
C42
fuwx62601
Page 2270

