Page 2337 - Foton Workshop Manual - Sauvana
P. 2337
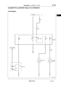
DIAGNOSIS-CIGARETTE LIGHTER 62-285
CIGARETTE LIGHTER FAILS TO OPERATE
Circuit Diagram
Ignition switch
ACC orON Battery 62
F1
40A
R
Y R
A301
15
C201
85 30
F20 ACC relay F28 F29
15A R06 20A 20A Interior fuse
box C05
86 87
To the backlight
illumination system B R R
C302
15 D202
C22
L P
1 1
Power socket Rear power
C59 socket D50
3 2
3 3
Cigar lighter
C33
1
B B B
C26 C61 D51
fuwx62759
Page 2337

