Page 142 - ACAD на базі НТУ ДП
P. 142

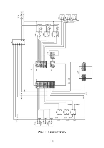
Рис. 11.14. Схема з'єднань





                                                           142
   137   138   139   140   141   142   143   144   145   146   147