Page 203 - 2107 N Rough Creek Builder Binder for Owner.pdf
P. 203

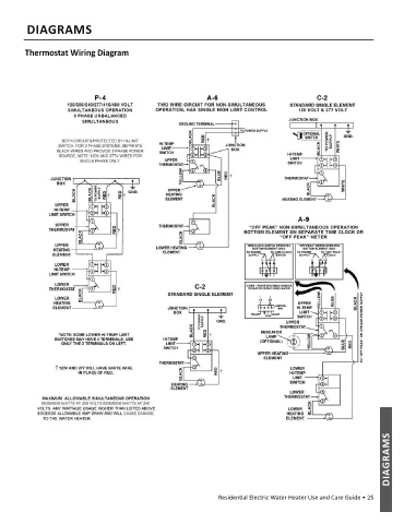
DIAGRAMS



         Thermostat Wiring Diagram







































































                                                                                                                       DIAGRAMS









                                                                   Residen
   198   199   200   201   202   203   204   205   206   207   208