Page 321 - FUNDAMENTALS OF COMPUTER
P. 321
NPP
NPP Number System, Boolean Algebra and Logic Circuits 321
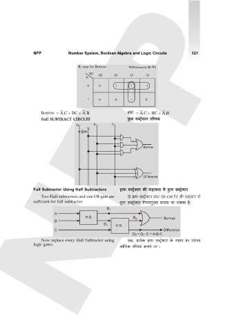
Borrow K-
BC 00 01 11 10
A
0 0 1 1 1
1 0 0 1 0
Borrow = C . A + BC + B . A ~moamo = C . A + BC + B . A
Full SUBTRACT CIRCUIT \w$c gãQ´>oŠQ>a n[anW
A B C
A
Borrow
Difference
Full Subtractor Using Half Subtractors hm\$ gãQ´>oŠQ>a H$s ghm`Vm go \w$b gãQ´>oŠQ>a
Two Half subtractors and one OR gate are Xmo hm\$ gãQ´>oŠQ>a VWm EH$ OR JoQ> H$s ghm`Vm go
sufficient for full subtractor: \w$b g~Q´>oŠQ>a {ZåZmZwgma ~Zm`m Om gH$Vm h¡…
B 1
A
H.S. B Borrow
B 2
D 1 H.S.
C Difference
D = D - C = A-B-C
2
1
Now replace every Half Subtractor using A~, àË`oH$ hm\$ gãQ´>oŠQ>a Ho$ ñWmZ na CgH$m
logic gates:
bm°{OH$ n[anW ~ZmZo na …

