Page 299 - METRO CORRECTED Binder 2 October 30
P. 299
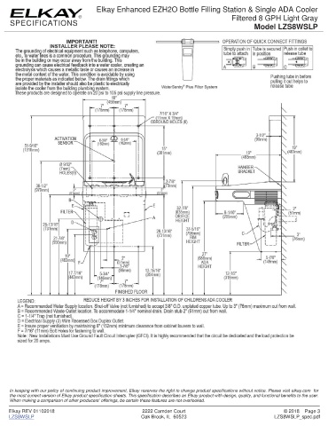
Elkay Enhanced EZH2O Bottle Filling Station & Single ADA Cooler
Filtered 8 GPH Light Gray
SPECIFICATIONS Model LZS8WSLP
In keeping with our policy of continuing product improvement, Elkay reserves the right to change product specifications without notice. Please visit elkay.com for
the most current version of Elkay product specification sheets. This specification describes an Elkay product with design, quality, and functional benefits to the user.
When making a comparison of other producers’ offerings, be certain these features are not overlooked.
Elkay REV 01102018 2222 Camden Court © 2018 Page 3
LZS8WSLP Oak Brook, IL 60523 LZS8WSLP_spec.pdf

