Basic HTML Version
Table of Contents
View Full Version
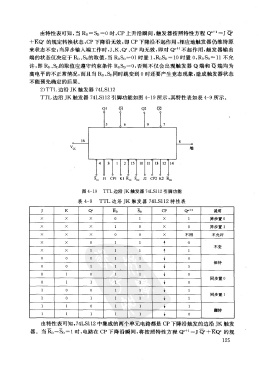
Page 139 - 《从零开始学数字电子技术》(刘建清著)
P. 139
134
135
136
137
138
139
140
141
142
143
144