Page 419 - 2019종합카다로그_Pressure gauge
P. 419

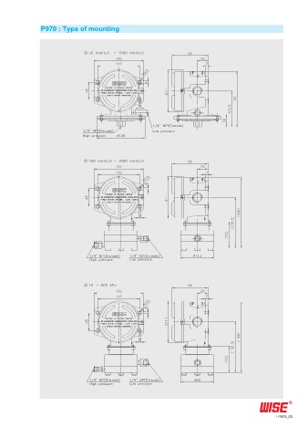
P970 : Type of mounting

















































































                                                                                                P970_03
   414   415   416   417   418   419   420   421   422   423   424