Page 425 - 2019종합카다로그_Pressure gauge
P. 425

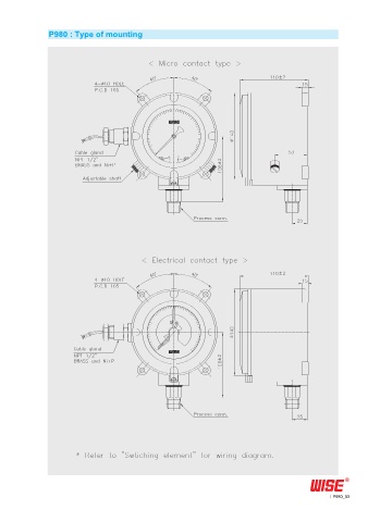
P980 : Type of mounting

















































































                                                                                                P980_03
   420   421   422   423   424   425   426   427   428   429   430