Page 1855 - Foton Workshop Manual - Sauvana
P. 1855
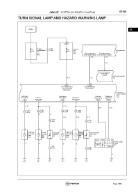
CIRCUIT - SYSTEM SCHEMATIC DIAGRAM 61-65
TURN SIGNAL LAMP AND HAZARD WARNING LAMP
Battery 61
2
C65
Engine C206
F2 compartment 4 F5 Internal
60A A306 20A fuse A/C controller
fuse box C42
box C05 Hazard warning Hazard warning
A40 lampsignal output lamp feedback signal
A16 B16
R-Gr
4
Hazard warning
lamp switch
output
Instrument cluster
R-B Gr C23
6 13
C56 C58
Turn signal lamp/ Hazard warning
Hazard warning lamp switch
lamp power
BCM body
control module
C56
Left front Right front Left turn Right turn
turn signal Left turn turn signal Right turn signal lamp signal lamp C58
lamp signal lamp lamp signal lamp switch switch
C56 C56 C56 C56 C58 C58
4 2 3 1 11 12
G-R BG-
R-L GR-
C204 C301 C204 C306
11 A304 28 D201 10 A304 9 D206
G G
BG- BG- BG-
C041
12 J2 01 11 C051
G2 01
9 3 9 3
1 1
Left front Left rear Left rearview Right front Right rear Right rearview
turn signal turn signal mirror unit turn signal turn signal mirror unit
lamp lamp J03 lamp lamp G 03
A28 D52 A03 D54
2 2
7 4 7 4 Gear PIN 17 18 19
L Switch cluster
B B B Steering (Light)
B
switch M C16
J202 R
1 G202
C402 3
C502
B
A25 D51 C02 A07 D55 C26 C01
Page 1855

