Page 1907 - Foton Workshop Manual - Sauvana
P. 1907
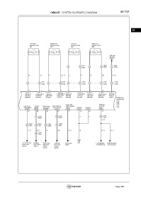
CIRCUIT - SYSTEM SCHEMATIC DIAGRAM 61-117
61
Left front Right front Left rear Right rear
window motor window motor window motor window motor
J01 G01 I04 H04
1 2 1 2 2 1 2 1
M M M M
Left rear
window
switch
I201 H021 I021
5 6 5 6 D501 4
D401 D041
Br Gr P GrR- L R O SB RGr-
J202 G202 D206 D206 D206
2 3 4 5 6 7 3 4 21
C402 C502 C306 C306 C306
12 11 10 9 8 7 9 10 7
C54 C54 C54 C54 C54 C54 C55 C55 C57
Lifting of Lowering of Lifting of Lowering of Lifting of Lowering of Lifting of Lowering of Left rear
left front left front right front right front left rear Left rear fight rear fight rear window
window window window window window window window window switch BCM Body
control unit
C54
C55
C56
Front axle Daytime
Left front Liftgate Right front Door open of clutch speed running C57
door switch switch door open left rear door signal Ground Ground lamp C58
C58 C58 C58 C58 C54 C55 C55 C56
15 20 16 17 2 11 12 11
C302 34 C301 B B 19 C201
7 D202 D201 A301
RG-
C024 D061 C025 D041
15 J022 11 L201 15 G022 12 I021
YG- BG- V SB RY- B RG- RG-
L031
12
M021
Left front door Liftgate Right front Left rear Front axle C26 Left daytime Right daytime
lock status lock status door lock door lock clutch running lamp running lamp
switch switch status status
switch switch
Page 1907

