Page 2166 - Foton Workshop Manual - Sauvana
P. 2166
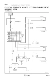
62-114 DIAGNOSIS-POWER REARVIEW MIRRORS
ELECTRIC REARVIEW MIRROR LEFT/RIGHT ADJUSTMENT
DOES NOT WORK
Circuit Diagram
Ignition switch
ACC or ON
5 Up / Down
M
4
Left/right
6
M
F22 Interior fuse box C05
7.5A
G2 10
6 7 8
C051
RL- RO- RB-
R
7 + -
C024 M
C041 6 7 13 J2 02
4 J2 01
8
Passenger side
1 2 3 5 6 7 8 mirror unit G03
Towards
the left
Towards
lift the right Electric
Upward rearview
mirror
Downward switch
Towards J08
the left
Towards
right the right
Upward
Downward
Gr Br
G202
9 8
C025
LR- 5 Left/right
M
RO- 4
RGr- 6 Up / Down
J202 M
1
C024
Gr Br
B
Gr Br
C024
11 12 3 2 J2 02
C54 C45
Folding of Folding of 7 + M -
rearview mirror- rearview mirror+ BCM Body
Control Unit
C54 8
Rearview mirror C57
C20 folding signal input
Driver side rearview
C57 mirror unit J03
27
BY-
1 2
6 4 L
Rearview mirror
folding switch Backlight lighting sysytem
C62
C02 fuwx62400
Page 2166

