Page 849 - Foton Workshop Manual - Sauvana
P. 849

TRANSMISSION - TRANSMISSION ASSEMBLY                            21A-7
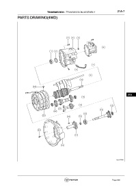
                 PARTS DRAWING(4WD)










































                                                                                                                    21A














































                                                                                                      Page 849
   844   845   846   847   848   849   850   851   852   853   854