Page 2445 - Foton Workshop Manual - Sauvana
P. 2445
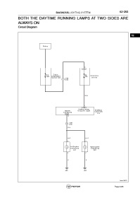
DIAGNOSIS-LIGHTING SYSTEM 62-393
BOTH THE DAYTIME RUNNING LAMPS AT TWO SIDES ARE
ALWAYS ON
Circuit Diagram
62
Battery
2
C65
F2 Engine F6 Interior fuse
60A compartment 20A
fuse boxA40 C206 box C05
4 A306
WB-
5
C56
Daytime running
Daytime lamp power supply BCM Body
running lamp Control Unit
C56
C56
11
C201
11 A301
RG-
RG- RG-
1 1
Left Daytime Right Daytime
running lamp running lamp
A44 A43
2 2
B B
A25 A07
fuwx62 870
Page 2445

