Page 2451 - Foton Workshop Manual - Sauvana
P. 2451
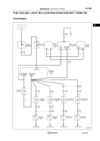
DIAGNOSIS-LIGHTING SYSTEM 62-399
THE CEILING LIGHT IN A CERTAIN ROW DOESN'T TURN ON
Circuit Diagram
62
Battery
C601
2
F021 C02
B
2 2
C65 Ground
F2 Engine Interior fuse Middle roof
60A F36 lamp Front interior The third
compartment box C05 lampassembly row top
fuse boxA40 15A assembly Door F01 Door
F02 control Front interior control light F03
lamp power
signal supply signal power
supply
2 1 8 1 2 1
A306
4 C206
RY- V V RY- RY- V
F2 10
6 5
C601
10
C56
Power input
BCM Body
Control Unit
Energy-saving Energy-saving C54
power feedback power output C56
C54 C56
1 12
V
C306
22
2 23 D206
Keyhole D5 10
lighting C14 C024 C051 D4 10
11 J2 02 9 G2 01 11 H2 01 10 I2 01
RY- RY- RY- RY-
3
2 2 2 2
Driver door Front passenger Right rear door Left rear door
YR- stepping lamp door stepping lamp stepping light H03 stepping light I03
J06 G06
1 1 1 1
J202 G2 10
12 10
C024 C051
G V R- G VR-
C306 H2 10 I2 10
33 35 D206 10 D501 11 D041
1 1 1 1
Left front Right front Right rear door Left rear door
door switch door switch switch D17 switch D04
D01 D16
Self grounding Self grounding Self grounding Self grounding
fuwx62 877
Page 2451

