Page 2223 - Workshop Manual - Tunland (2017)
P. 2223

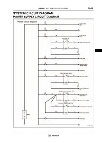
WIRING - SYSTEM CIRCUIT DIAGRAM                             71-23

                 SYSTEM CIRCUIT DIAGRAM

                 POWER SUPPLY CIRCUIT DIAGRAM























                                                                                                                     71
   2218   2219   2220   2221   2222   2223   2224   2225   2226   2227   2228