Page 2263 - Workshop Manual - Tunland (2017)
P. 2263

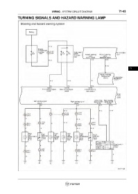
WIRING - SYSTEM CIRCUIT DIAGRAM                             71-63

                 TURNING SIGNALS AND HAZARD WARNING LAMP


























                                                                                                                     71
   2258   2259   2260   2261   2262   2263   2264   2265   2266   2267   2268