Page 44 - E-jobsheet Teknik Dasar Listrik Elektronika Kelas X
P. 44

E-Jobsheet Gerbang Dasar Logika

                                                 KELAS/SEMESTER : X /  2



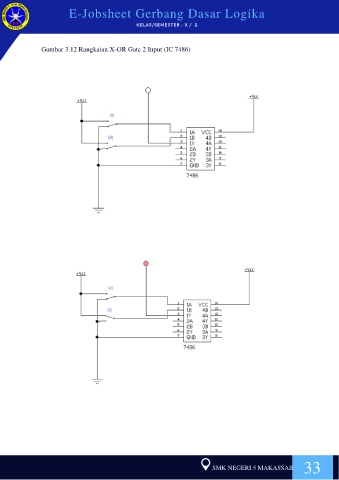
                Gambar 3.12 Rangkaian X-OR Gate 2 Input (IC 7486)
























































































                                                                                                            33
                                                                            SMK NEGERI 5 MAKASSAR
   39   40   41   42   43   44   45   46   47   48   49