Page 7 - Destaco - Rotary Part Handler
P. 7
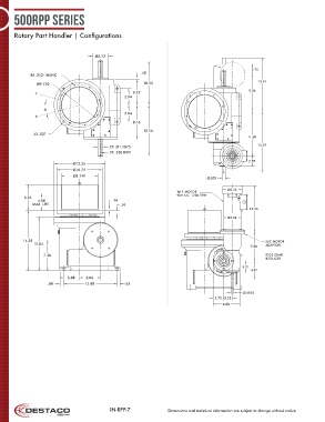
500RPP Series
Rotary Part Handler | Configurations
Ø3.72
2.75
.40
8X .312-18UNC
Ø9.750 10.53 13.94
Y 6.12 9.56
3.94
A
3.94
X
8.16
12.16
4X .531
11.60
2X Ø1.1875 15.97
2X .250 KWY
2.75
Ø12.25
Ø10.75
Ø8.749
Ø.875
Ø5.25
1HP MOTOR
90V A.C. 1750 RPM
6.34
4.00 .46
MAX LIFT .79
12.25
Ø4.62
14.38 56C MOTOR
12.84 ADAPTOR
7.50
7.38 R225 GEAR
REDUCER
3.21
4.81
3.88 5.00
.88 12.88 .63
Ø.6875
2.75 2.25
6.88
IN-RPP-7 Dimensions and technical information are subject to change without notice

