Page 9 - Destaco - CAMCO MDE/HDE Series
P. 9
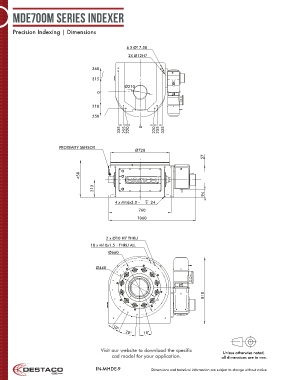
MDE700M Series Indexer Low Profile Performance Indexers
Precision Indexing | Dimensions
6 X Ø17.50
2X Ø12H7
360
315
Ø210
0
210
250
335 255 220 0 220 255 335
PROXIMITY SENSOR
Ø720
57
450
213
94
4 x M16x2.0 - 24
760
1060
2 x Ø10 H7 THRU
18 x M10x1.5 - THRU ALL
Ø660
Ø440
810
10°
20° 15°
Visit our website to download the specific Unless otherwise noted,
cad model for your application. all dimensions are in mm.
IN-MHDE-9 Dimensions and technical information are subject to change without notice

