Page 94 - Gefran - Inverter system and power supply unit (ADV200 Drive family)
P. 94
94 Inverter System & Power Supply Unit
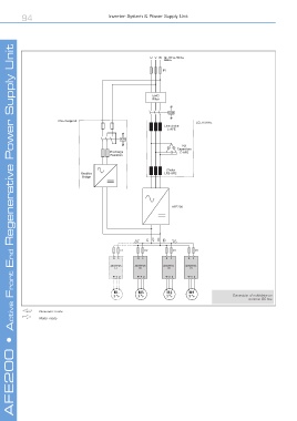
AFE200 • Active Front End Regenerative Power Supply Unit
U V W 3ph - 400 V / 500AC VAC,
50/60 Hz
F1
ADV200 - 4 • Basic
EMC
Filter
K1M
Pre-charge kit
LCL Kit AFE
Line choke
L-AFE
K2M
Kit
Capacitors
Precharge C-AFE
Resistors
Choke
Rectifire LR3-AFE
Bridge
AFE200
C D
F..2 F32 F22 F12
D C D C D C D C
ADV200-DC ADV200-DC ADV200-DC ADV200-DC
(..) (3) (2) (1)
W V U W V U W V U W V U
M.. M3 M2 M1
3 3 3 3 Connection of multi-drive on
common DC bus
Generator mode
Motor mode

