Page 37 - 2019종합카다로그_Temperature & Switch
P. 37

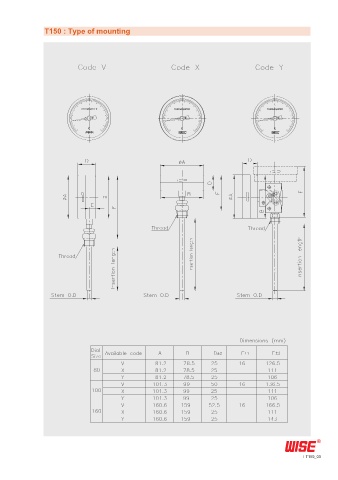
T150 : Type of mounting

















































































                                                                                                T150_03
   32   33   34   35   36   37   38   39   40   41   42