Page 49 - 2019종합카다로그_Temperature & Switch
P. 49

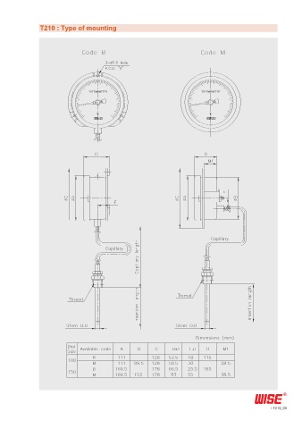
T210 : Type of mounting

















































































                                                                                                T210_03
   44   45   46   47   48   49   50   51   52   53   54