Page 61 - 2019종합카다로그_Temperature & Switch
P. 61

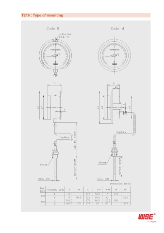
T219 : Type of mounting

















































































                                                                                                T219_03
   56   57   58   59   60   61   62   63   64   65   66