Page 57 - 2019종합카다로그_Temperature & Switch
P. 57

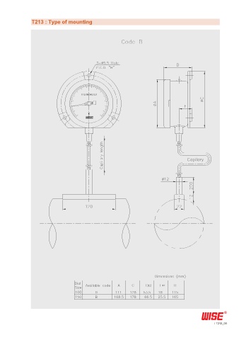
T213 : Type of mounting

















































































                                                                                                T213_03
   52   53   54   55   56   57   58   59   60   61   62