Page 89 - 2019종합카다로그_Temperature & Switch
P. 89

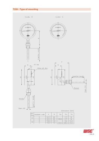
T250 : Type of mounting

















































































                                                                                                T250_03
   84   85   86   87   88   89   90   91   92   93   94