Page 93 - 2019종합카다로그_Temperature & Switch
P. 93

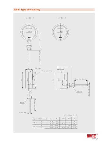
T259 : Type of mounting

















































































                                                                                                T259_03
   88   89   90   91   92   93   94   95   96   97   98