Page 2493 - Foton Workshop Manual - Aumark (BJ1099)
P. 2493
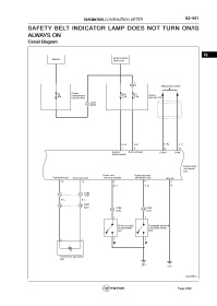
DIAGNOSIS-COMBINATION METER 62-441
SAFETY BELT INDICATOR LAMP DOES NOT TURN ON/IS
ALWAYS ON
Circuit Diagram
62
Ignition switch
Battery
ON START/
2
C65
Diagnostic system
Engine
F2 F26 F7 Interior
60A compartment 7.5A 7.5A fuse box C05
fuse boxA40
C206
4 A306
OR- VB- RW- LY-
1 3 16 15
Ignition Battery Power CANH CANL
power supply
Combination
instrument
C23
Driver seat Passenger seat
Fuel level input Sensor ground belt warning light belt alarm lamp Ground
13 14 6 5 2
BY- YB- B
C302
8 5 D202
RL- BL-
D3 10
16 15
B 210 C306 C305
14 34
D206 D205
1 1
Driver seat belt Passenger seat belt
buckle switch lock catch switch
D07 D20
2 2
2 1
B
B
Fuel sensor (gasoline)
B01
D13
C22
fuwx62913
Page 2493

