Page 2497 - Foton Workshop Manual - Aumark (BJ1099)
P. 2497
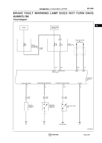
DIAGNOSIS-COMBINATION METER 62-445
BRAKE FAULT WARNING LAMP DOES NOT TURN ON/IS
ALWAYS ON
Circuit Diagram
62
Ignition switch
Battery
ON/START
2
C65
Diagnostic system
F2 F26 F7 Interior
60A Engine 7.5A 7.5A fuse box C05
compartment
fuse box A40
C206
4 A306
O-R V-B R-W L-Y
1 3 16 15
Ignition Battery Power CANH CANL
power supply
Combination
nstrument
C23
Vacuum level alarm Brake fluid level alarm lamp Parking brake indicator light Ground
9 8 29 2
Y Gr W-B B
C203 C201 C302
9 A303 33 A301 4 D202
1 1 1
Vacuum Brake fluid
level alarm level alarm Hand brake switch
lampA17 switch A18 D10
2
B
A25 A25 Self grounding C22
fuwx62903
Page 2497

