Page 2553 - Foton Workshop Manual - Aumark (BJ1099)
P. 2553
DIAGNOSIS-SERVICE BRAKING SYSTEM 62-501
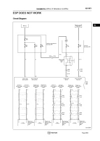
ESP DOES NOT WORK
Circuit Diagram
Ignition switch 62
Battery
ON/START
F82
125A 2
C65
Engine compartment
fuse box A40
F15 F17 F2 F4 F26 Internal
40A 25A 60 A 7.5 A 1 0A
fuse box C05
RG- Y
A306 C206 1 3
4
R R Brake lamp OR-
switch
C09
2 4
C202
C201
18 1
A301 A302
Gr W-
1 25 30 28
ABS Pump ABS Solenoid Brake lamp ABS Controller
motor power valve power switch IG power
ESP
ECU
A08
Left front Left front Right front Right front Left rear Left rear Right rear Right rear
wheel speed wheel speed wheel speed wheel speed wheel speed wheel speed wheel speed wheel speed
signal power signal power signal power signal power
8 19 4 16 18 31 29 17
A301 A301
20 21 23 24
C201 C201
W WR- GW- LB-
RL- OB- OL- Y C301 C301
17 18 19 20
D201 D201
D301 D301
1 2 3 4
B201 B201
1 2 1 2 1 2 1 2
Left front Right front Left trailing Right rear
wheel speed wheel speed wheel speed wheel speed
sensor sensor sensor sensor
A31 A02 B02 B03
fuwx62990
Page 2553

