Page 2554 - Foton Workshop Manual - Aumark (BJ1099)
P. 2554
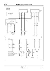
62-502 DIAGNOSIS-SERVICE BRAKING SYSTEM
Ignition switch
ON/START
Yaw rate
Angle sensor sensor
C94
D21
Power CAN-L CAN-H GND Power CAN-H CAN-L GND
3 1 2 4 4 2 3 1
F26 Internal fuse
1 0A box C05
O-R LY- RW- B 5 D203 22 23 D201
C303 C301
- B
1
Ignition power ABS
C02 D13
Instrument
Cluster
Cluster control unit C23
GY- VY-
GND CAN-L CAN-H
2 15 16 C201
27 28 A301
B LY- RW-
C203
18 17
A303
C22
CAN LY- RW-
Communication
system 14 26 33 20
CAN-L CAN-H CAN-H CAN-L
ESP
ECU
A08
Sensor
signal Sensor Sensor ESP OFF HDC GND GND
GND signal power Switch Switch
12 9
32 24 5 13 38
Br-Y GY- VY- Br Y- LY-
A301 A301
26 27 28 26 29
C201 C201
B B
C301 C301 C303
21 22 23 21 4
D201 D201 D203
1 4 1 4
ESP HDC
OFF Switch 18 D205
1 2 3 C305
Switch D67
Acceleration D66
sensor
D11
Acceleration sensor 2 6 2 6
B B B B
Backlight
illumination
D13 system A10
fuwx62991
Page 2554

