Page 1921 - Foton Workshop Manual - Sauvana
P. 1921
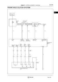
CIRCUIT - SYSTEM SCHEMATIC DIAGRAM 61-131
FRONT AXLE CLUTCH SYSTEM
61
Ignition switch
ON
Internal Electric transfer
fuse case system
F35 box
20A
C05
Electric control time shared Electric control time shared BCM vhicle BCM body
four-wheel drive front axle four-wheel drive front axle speed signal control module Combination
disconnect signal input disconnect signal feedback output C54 instrument
C54
2
VR- Br Br W- RY- GB-
1 8 9 10 4
IG power Front axle Front axle Vehicle speed Front axle clutch
supply disconnect disconnect signal input system indicator
controlsignal signal feedback input
Front axle clutch
controller
C 03
Clutch Clutch Clutch
Motor output Motor output controller controller controller
positive reverse status status status
running running detecting 1 detecting2 detecting3 Ground
2 3 5 6 7 13
C205
5 6 7 8 9 A305
V W O P GR- B
A014
6 7 8 9 10 K201
B
1 2 3 5 6 4
22 K201
A014
M
Front axle clutch actuator
K 07
A25 C26
Page 1921

